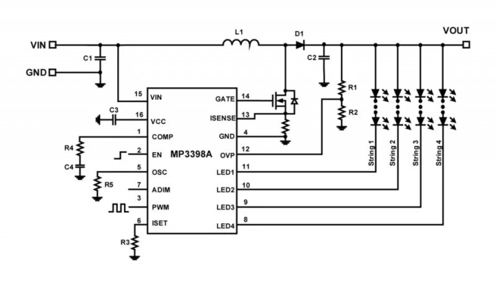
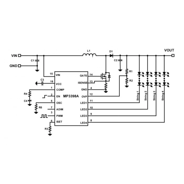
MP3398A, SOIC-16, V to 28V, 4-Channel, 350mA/ch WLED Boost Controller

WHATSAPP İLE SİPARİŞ VER
Hızlı Gönderi
Güvenli Alışveriş
İade ve Değişim
MP3398A, SOIC-16, V to 28V, 4-Channel, 350mA/ch WLED Boost Controller, ENTEGRE LED DRIVER MP3398A 4CH 50V SOIC1



MP3398A, büyük boyutlu LCD panel arka aydınlatma uygulamaları için WLED dizilerini çalıştırmak üzere tasarlanmış, 4 akım kanalına sahip bir yükseltme denetleyicisidir. Tek bir endüktif güç kaynağını paylaşan paralel iki veya daha fazla IC ile LED kanallarının sayısını genişletmek için esnektir. MP3398A, sabit anahtarlama frekansına sahip tepe akım modunu kullanır. Frekans, harici bir ayar direnci ile programlanabilir. MP3398A, çıkış voltajını 5V'tan 28V'a yükseltmek için harici bir MOSFET'i çalıştırır. Her bir LED dizisindeki akımı, harici bir akım ayar direnci tarafından ayarlanan değere düzenler. MP3398A, akım dengesi için 4 dahili akım kaynağı uygular. Akım eşleştirme, diziler arasında %2,5 düzenleme doğruluğu elde edebilir. LED akım kaynaklarındaki düşük düzenleme voltajı güç kaybını azaltır. MP3398A, farklı karartma modu isteklerini karşılamak için hem analog hem de PWM karartmayı bağımsız olarak destekleyebilir. Ayrıca, OCP, OTP, UVP, OVP, LED kısa/açık koruma, indüktör/diyot kısa koruması dahil olmak üzere zengin koruma modları da entegre edilmiştir. MP3398A, SOIC16
TESLİMAT
 
Ürünü sipariş verdiğiniz gün saat 18:00 ve öncesi ise siparişiniz aynı gün kargoya verilir.Ve ertesi gün teslim edilir.

Eğer kargoyu saat 18:00`den sonra verdiyseniz ürününüzün stoklarda olması durumunda ertesi gün kargolama yapılmaktadır.
 
Benzer Ürünler
Yükleniyor...